|
Serwis Edukacyjny Nauczycieli w I-LO w Tarnowie
|
Wyjście Spis treści Wstecz Dalej
Autor artykułu: mgr Jerzy Wałaszek |
©2026 mgr Jerzy Wałaszek
|
| SPIS TREŚCI |
| Podrozdziały |
Rejestr (ang. register) jest układem cyfrowym służącym do zapamiętywania określonej porcji bitów danych. Rejestry stosuje się tam, gdzie występuje potrzeba chwilowego przechowania niewielkiej ilości informacji binarnej (np. wynik pewnej operacji arytmetycznej lub logicznej). Rejestry budowane są z przerzutników.
Określmy sygnały wejściowe i wyjściowe dla typowego rejestru:

Sygnały wejściowe A, B, C i D podają informację do zapamiętania w rejestrze. Wejście CLK jest wejściem zapisującym informację z wejść A...D do rejestru. W zależności od typu zastosowanych przerzutników zapis może następować przy zmianie poziomu logicznego na wejściu CLK z 0 na 1 (zbocze dodatnie) lub z 1 na 0 (zbocze ujemne). Informacja przechowywana w rejestrze pojawia się na wyjściach QA, QB, QC i QD. Stan niski na wejściu CLR powoduje wyzerowanie wszystkich wyjść QA...QD rejestru.
Typowym układem pracy przerzutnika w rejestrze jest przerzutnik D. Poniżej przedstawiony jest przerzutnik D typu D-LATCH (zatrzask) zbudowany z bramek NAND:
|
|
Gdy sygnał zegarowy C przyjmuje poziom logiczny 1, odblokowana zostaje bramka wejściowa i dana z wejścia D przedostaje się na wejście Q przerzutnika. Dopóki sygnał C ma stan wysoki, wejście D steruje wyjściem Q. Gdy sygnał C przechodzi w stan 0, przerzutnik zapamiętuje stan wejścia D, który panował tuż przed przejściem C w 0. Gdy C = 0, zmiany wejścia D nie wpływają na stan wyjścia Q. Przerzutnik pamięta wpisaną informację.
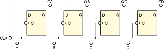
Na bazie takich przerzutników D-Latch można stworzyć prosty rejestr 4-bitowy:

Na wejścia A, B, C i D podajemy informację 4-bitową do zapamiętania. Następnie na wejście CLK podajemy stan wysoki. Dane z wejść zostają wpisane do przerzutników i pojawiają się na wyjściach QA, QB, QC i QD. Dopóki wejście CLK jest w stanie wysokim, zmiany na wejściach są przenoszone na wyjścia. Gdy CLK przejdzie w stan 0, informacja w przerzutnikach zostaje zatrzaśnięta i zmiany stanu wejść już nie wpływają na stan wyjść. Rejestr pamięta wpisaną informację.
Tego typu rejestr można zbudować bezpośrednio za pomocą jednego układu SN7477, który właśnie zawiera 4 przerzutniki D-LATCH:

![]() |
|
Jeśli do budowy rejestru zastosujemy przerzutniki D Flip Flop, to przepisanie danych wejściowych A...D do rejestru wystąpi przy zboczu (przejściu ze stanu 0 do stanu 1 lub z 1 na 0) sygnału zegarowego CLK. Przy ustalonym poziomie logicznym na wejściu CLK dane wejściowe A...D nie wpływają na pamiętaną przez rejestr informację.

Budowa zwykłych rejestrów z przerzutników J-K jest oczywiście możliwa, lecz mniej korzystna od budowy rejestrów z przerzutników D, ponieważ musimy zastosować dodatkowe inwertory na wejściach K (przekształcenie przerzutnika J-K w przerzutnik D). Zalety przerzutników J-K ujawniają się przy bardziej zaawansowanych konstrukcjach. Wpis informacji z wejść A...D do przerzutników następuje przy ujemnym zboczu (przejściu ze stanu 1 do stanu 0) sygnału zegarowego CLK.

Jeśli w układzie cyfrowym stosujemy kilka rejestrów, pomiędzy którymi chcemy wymieniać dane, to pojawia się problem ich efektywnego łączenia. Wyjść układów cyfrowych nie wolno łączyć ze sobą, gdyż prowadzi to do zwarć mogących uszkodzić układy scalone. Jednym z możliwych rozwiązań jest zastosowanie multiplekserów, jednakże jest to rozwiązanie skomplikowane i kosztowne. Dużo lepszym rozwiązaniem jest użycie magistrali (ang. bus), która jest zbiorem linii sygnałowych przesyłających po jednym bicie informacji. Wejścia danych wszystkich rejestrów są połączone bezpośrednio z liniami magistrali. Jednakże wyjścia rejestrów muszą być dołączane do magistrali przez specjalne bramki trójstanowe (ang. tri-state output gate).

Bramka trójstanowa posiada wejście danych A, wyjście danych Y oraz wejście sterujące G. Jeśli na wejściu G utrzymuje się stan aktywny (1 lub 0 w zależności, czy jest to wejście G, czy G), to bramka zachowuje się jak zwykły bufor – sygnał z wejścia A przedostaje się na wyjście Y. Jeśli na wejście G podany zostanie stan nieaktywny, to wyjście Y przechodzi w stan wysokiej oporności, co praktycznie oznacza całkowite odcięcie tej bramki od linii wyjściowej. Dzięki temu rozwiązaniu do magistrali można podłączać wyjścia wielu układów cyfrowych bez obawy o zwarcia – pod warunkiem oczywiście, iż tylko jedno z tych urządzeń jest w danej chwili aktywne.
Poniżej przedstawiamy przykład podłączenia do wspólnej magistrali czterech rejestrów 4 bitowych za pomocą bramek trójstanowych.

Wpis danych A...D z magistrali do wybranego rejestru następuje po podaniu impulsu na wejście od CLK1 do CLK4. Na magistrali można umieścić zawartość wybranego rejestru przez podanie stanu 0 na jedno z wejść EN1...EN4.
Przez odpowiednie manipulowanie sygnałami CLKn i ENn można przepisywać dane pomiędzy dowolnymi parami rejestrów. Na przykład przeniesienie danych z rejestru REG2 do REG4 nastąpi po ustawieniu na 0 EN2 oraz po podaniu impulsu zegarowego na CLK4.
Na schematach blokowych magistralę rysuje się zwykle pogrubioną kreską. Poszczególne linie tworzące magistralę opisuje się za pomocą nazw. Sygnały dołącza się do magistrali podając nazwę linii. W ten sposób schematy sieci logicznych zawierających magistrale stają się bardziej przejrzyste.

Bramki trójstanowe produkowane są przez przemysł elektroniczny w różnych konfiguracjach. Poniżej zebraliśmy informacje o kilku popularnych układach cyfrowych.
Więcej informacji na temat bramek trójstanowych i sposobów ich wykorzystywania znajdziesz w Internecie w materiałach producentów.
![]() |
Zespół Przedmiotowy Chemii-Fizyki-Informatyki w I Liceum Ogólnokształcącym im. Kazimierza Brodzińskiego w Tarnowie ul. Piłsudskiego 4 ©2026 mgr Jerzy Wałaszek |
Materiały tylko do użytku dydaktycznego. Ich kopiowanie i powielanie jest dozwolone pod warunkiem podania źródła oraz niepobierania za to pieniędzy.
Pytania proszę przesyłać na adres email:
Serwis wykorzystuje pliki cookies. Jeśli nie chcesz ich otrzymywać, zablokuj je w swojej przeglądarce.
Informacje dodatkowe.