|
Serwis Edukacyjny Nauczycieli w I-LO w Tarnowie
|
Wyjście Spis treści Wstecz Dalej
Autor artykułu: mgr Jerzy Wałaszek |
©2026 mgr Jerzy Wałaszek
|

Kod BCD (ang. Binary Coded Decimal - Dziesiętny Kodowany Binarnie) jest powszechnie stosowany w przemyśle przy sterowaniu różnych wyświetlaczy cyfrowych - kasy, czujniki temperatury, wskaźniki itp. W kodzie BCD kodujemy binarnie poszczególne cyfry liczby dziesiętnej. Ponieważ cyfr jest 10, to każda z nich jest kodowana przy pomocy 4 bitów:
| cyfra | 0 | 1 | 2 | 3 | 4 | 5 | 6 | 7 | 8 | 9 |
| BCD | 0000 | 0001 | 0010 | 0011 | 0100 | 0101 | 0110 | 0111 | 1000 | 1001 |
Zwróć uwagę, iż kod BCD jest zwykłym, okrojonym kodem binarnym 8421. Wartość słówka kodowego odpowiada bezpośrednio wartości reprezentowanej przez niego cyfry. Pozostałe kombinacje bitów (1010, 1011, 1100, 1101, 1110 i 1111) nie są w kodzie BCD używane (można je wykorzystać do reprezentacji innych obiektów niż cyfry: kropka dziesiętna, minus, plus itp.). Na przykład 4-cyfrowa liczba dziesiętna 2158 zostanie zakodowana w kodzie BCD jako 4 słowa kodowe:
Więcej na temat kodu BCD znajdziesz tutaj.
![]() |
| Howard Hathaway Aiken |
Howard Hathaway Aiken (ur. 8-03-1900, zm. 14-03-1973) był amerykańskim matematykiem, pionierem komputeryzacji, twórcą jednego z pierwszych komputerów Mark I. Opracował on kod binarny do zapisu cyfr liczb dziesiętnych, który nazwano kodem Aikena (dzisiaj posiadający tylko znaczenie dydaktyczne):
| cyfra | 0 | 1 | 2 | 3 | 4 | 5 | 6 | 7 | 8 | 9 |
| Kod Aikena | 0000 | 0001 | 0010 | 0011 | 0100 | 1011 | 1100 | 1101 | 1110 | 1111 |
W kodzie Aikena bity posiadają kolejno wagi 2 4 2 1, co bardzo łatwo sprawdzić na podstawie powyższej tabelki. Jeśli porównamy ze sobą kod BCD i kod Aikena:
| cyfra | 0 | 1 | 2 | 3 | 4 | 5 | 6 | 7 | 8 | 9 |
| BCD | 0000 | 0001 | 0010 | 0011 | 0100 | 0101 | 0110 | 0111 | 1000 | 1001 |
| Kod Aikena | 0000 | 0001 | 0010 | 0011 | 0100 | 1011 | 1100 | 1101 | 1110 | 1111 |
to zauważymy, iż dla cyfr 0,1,2,3 i 4 są one takie same. Różnica powstaje dopiero od cyfry 5. Jeśli rozpiszemy wszystkie kolejne kombinacje 4-bitów, to otrzymamy następujące położenia słówek kodujących cyfry dziesiętne w obu kodach:
| 8421 | 0000 | 0001 | 0010 | 0011 | 0100 | 0101 | 0110 | 0111 | 1000 | 1001 | 1010 | 1011 | 1100 | 1101 | 1110 | 1111 |
| BCD | 0 | 1 | 2 | 3 | 4 | 5 | 6 | 7 | 8 | 9 | niewykorzystane | |||||
| Kod Aikena | 0 | 1 | 2 | 3 | 4 | niewykorzystane | 5 | 6 | 7 | 8 | 9 | |||||
Począwszy od cyfry 5 słowa wartości słówek kodowych kodu Aikena są przesunięte o 6 pozycji w stosunku do słówek kodu BCD.
Po tym krótkim wstępie przejdźmy do projektu - naszym zadaniem jest zaprojektowanie sieci logicznej, która konwertuje kody cyfr BCD na kody cyfr w kodzie Aikena. Zdefiniujmy sygnały wejściowe i wyjściowe naszego transkodera:

Na wejścia abcd transkodera podajemy słowo kodu BCD. Na wyjściach ABCD otrzymujemy odpowiednik w kodzie Aikena. Na podstawie poniższej tabelki zamian wyrazów kodowych określimy funkcje logiczne dla poszczególnych wyjść A,B,C i D:
| Cyfra | BCD | Aiken | ||||||
| d | c | b | a | D | C | B | A | |
| 0 | 0 | 0 | 0 | 0 | 0 | 0 | 0 | 0 |
| 1 | 0 | 0 | 0 | 1 | 0 | 0 | 0 | 1 |
| 2 | 0 | 0 | 1 | 0 | 0 | 0 | 1 | 0 |
| 3 | 0 | 0 | 1 | 1 | 0 | 0 | 1 | 1 |
| 4 | 0 | 1 | 0 | 0 | 0 | 1 | 0 | 0 |
| 5 | 0 | 1 | 0 | 1 | 1 | 0 | 1 | 1 |
| 6 | 0 | 1 | 1 | 0 | 1 | 1 | 0 | 0 |
| 7 | 0 | 1 | 1 | 1 | 1 | 1 | 0 | 1 |
| 8 | 1 | 0 | 0 | 0 | 1 | 1 | 1 | 0 |
| 9 | 1 | 0 | 0 | 1 | 1 | 1 | 1 | 1 |
Do minimalizacji funkcji wykorzystamy mapy Karnaugha (ponieważ nasz koder nie wykorzystuje wszystkich kombinacji bitów wejściowych, stan X oznacza dowolną wartość bitu wyjściowego w zależności od potrzeb) :
![]() |
![]() |
![]() |
||||||||||||||||||||||||||||||||||||||||||||||||||||||||||||||||||||||||||||||||||||||||||
![]() |
||||||||||||||||||||||||||||||||||||||||||||||||||||||||||||||||||||||||||||||||||||||||||||
![]() |
![]() |
![]() |
||||||||||||||||||||||||||||||||||||||||||||||||||||||||||||||||||||||||||||||||||||||||||
![]() |
||||||||||||||||||||||||||||||||||||||||||||||||||||||||||||||||||||||||||||||||||||||||||||
![]() |
![]() |
![]() |
||||||||||||||||||||||||||||||||||||||||||||||||||||||||||||||||||||||||||||||||||||||||||
![]() |
||||||||||||||||||||||||||||||||||||||||||||||||||||||||||||||||||||||||||||||||||||||||||||
![]() |
||||||||||||||||||||||||||||||
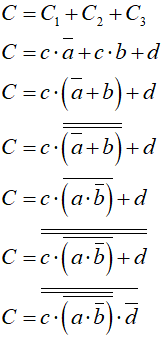
Wszystkie funkcje sprowadziliśmy do zanegowanych koniunkcji, aby do budowy sieci można było zastosować bramki uniwersalne NAND.
Podsumujmy otrzymane wyniki:

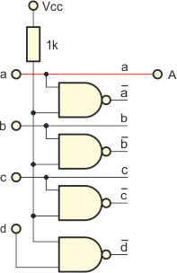
Przyjrzyj się otrzymanym wzorom. Do realizacji funkcji dla sygnałów wyjściowych A, B, C i D potrzebujemy następujących sygnałów wejściowych:

Rozpoczynamy od sygnałów wejściowych:

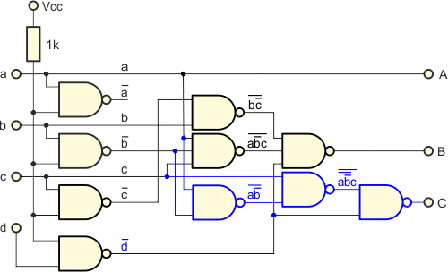
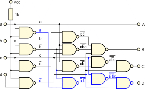
Teraz przystępujemy do budowy sieci na podstawie funkcji:














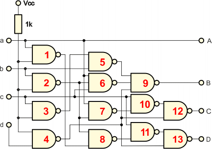
Numerujemy bramki:

Określamy sieć połączeń:
Program tworzy sygnały a, b, c i d odpowiadające cyfrom 0...9 w kodzie BCD. Na wyjściu powinniśmy otrzymać kody tych cyfr w kodzie Aikena.
| Cyfra | BCD | Aiken | ||||||
| d | c | b | a | D | C | B | A | |
| 0 | 0 | 0 | 0 | 0 | 0 | 0 | 0 | 0 |
| 1 | 0 | 0 | 0 | 1 | 0 | 0 | 0 | 1 |
| 2 | 0 | 0 | 1 | 0 | 0 | 0 | 1 | 0 |
| 3 | 0 | 0 | 1 | 1 | 0 | 0 | 1 | 1 |
| 4 | 0 | 1 | 0 | 0 | 0 | 1 | 0 | 0 |
| 5 | 0 | 1 | 0 | 1 | 1 | 0 | 1 | 1 |
| 6 | 0 | 1 | 1 | 0 | 1 | 1 | 0 | 0 |
| 7 | 0 | 1 | 1 | 1 | 1 | 1 | 0 | 1 |
| 8 | 1 | 0 | 0 | 0 | 1 | 1 | 1 | 0 |
| 9 | 1 | 0 | 0 | 1 | 1 | 1 | 1 | 1 |
C++// Symulacja sieci logicznej
// transkodera BCD na kod Aikena
// (C)2020 mgr Jerzy Wałaszek
// I LO w Tarnowie
#include <iostream>
using namespace std;
// Funkcje bramek
int NAND2(int a, int b)
{
return !(a && b);
}
int NAND3(int a, int b, int c)
{
return !(a && b && c);
}
int main()
{
// Stany wejściowe/wyjściowe
int a,b,c,d,A,B,C,D;
// Stany wyjściowe bramek
int YB1,YB2,YB3,YB4,YB5,YB6,YB7,
YB8,YB9,YB10,YB11,YB12,YB13;
// Licznik pętli/cyfra BCD
int i;
cout << "Cyfra | d c b a | D C B A\n"
"------+---------+--------"
<< endl;
// W pętli generujemy kody cyfr 0-9
for(i = 0; i < 10; i++)
{
// Wyodrębniamy bity kodu BCD cyfr
a = (i & 0x1);
b = (i & 0x2) > 0;
c = (i & 0x4) > 0;
d = (i & 0x8) > 0;
// Symulacja sieci
YB1 = NAND2(a,1);
YB2 = NAND2(b,1);
YB3 = NAND2(c,1);
YB4 = NAND2(d,1);
YB5 = NAND2(YB3,b);
YB6 = NAND3(a,YB2,c);
YB7 = NAND2(a,YB2);
YB8 = NAND2(YB2,YB1);
YB9 = NAND3(YB5,YB6,YB4);
YB10 = NAND2(c,YB7);
YB11 = NAND2(c,YB8);
YB12 = NAND2(YB10,YB4);
YB13 = NAND2(YB11,YB4);
A = a;
B = YB9;
C = YB12;
D = YB13;
// Wyświetlamy wyniki
cout << " " << i << " | "
<< d << " " << c << " "
<< b << " " << a << " | "
<< D << " " << C << " "
<< B << " " << A << endl;
}
cout << endl;
return 0;
}
|
| Wynik: |
| Cyfra | d c b a | D C B A ------+---------+-------- 0 | 0 0 0 0 | 0 0 0 0 1 | 0 0 0 1 | 0 0 0 1 2 | 0 0 1 0 | 0 0 1 0 3 | 0 0 1 1 | 0 0 1 1 4 | 0 1 0 0 | 0 1 0 0 5 | 0 1 0 1 | 1 0 1 1 6 | 0 1 1 0 | 1 1 0 0 7 | 0 1 1 1 | 1 1 0 1 8 | 1 0 0 0 | 1 1 1 0 9 | 1 0 0 1 | 1 1 1 1 |
Bity kodu BCD ustawiasz kliknięciami w kwadratowe przyciski. Bity słowa kodu Aikena odczytujesz z okrągłych wskaźników. Kolor czarny oznacza stan 0, kolor czerwony oznacza stan 1.
| Symulator |
Obciążenia wnoszone przez poszczególne wejścia sieci są następujące:
a = 3
b = 2
c = 4
d = 1
Sieć wykorzystuje 1 opornik 1kΩ oraz 13 bramek: 11 bramek NAND 2-wejściowych oraz 2 bramki NAND 3-wejściowe:
![]() |
Zespół Przedmiotowy Chemii-Fizyki-Informatyki w I Liceum Ogólnokształcącym im. Kazimierza Brodzińskiego w Tarnowie ul. Piłsudskiego 4 ©2026 mgr Jerzy Wałaszek |
Materiały tylko do użytku dydaktycznego. Ich kopiowanie i powielanie jest dozwolone pod warunkiem podania źródła oraz niepobierania za to pieniędzy.
Pytania proszę przesyłać na adres email:
Serwis wykorzystuje pliki cookies. Jeśli nie chcesz ich otrzymywać, zablokuj je w swojej przeglądarce.
Informacje dodatkowe.