Serwis Edukacyjny
w I-LO w Tarnowie
Do strony głównej I LO w Tarnowie

Materiały dla uczniów liceum
 

  Wyjście       Spis treści       Wstecz       Dalej  

obrazek

Autor artykułu: mgr Jerzy Wałaszek

©2026 mgr Jerzy Wałaszek

74160 – 4-bitowy synchroniczny licznik dziesiętny

74160

Oznaczenie graficzne licznika synchronicznego typu 74160

obrazek

Opis

Układ 74160 zawiera 4-bitowy synchroniczny licznik dziesiętny (ang. Synchronous 4-Bit BCD Counter). Liczniki synchroniczne różnią się od liczników asynchronicznych tym, iż stan wyjściowy zmienia się synchronicznie z impulsami zegarowymi, czyli nie występują opóźnienia pomiędzy bitami QA...QD. Układ posiada 6 wejść sterujących, 4 wejścia danych A...D, 1 wyjście przeniesienia rozpływowego RCO i cztery wyjścia danych QA...QD.

CLR – ujemne zbocze powoduje asynchroniczne wyzerowanie licznika

LOAD – stan niski powoduje wpisanie do przerzutnika stanu wejść A...D przy narastającym zboczu impulsu zegarowego CLK.

ENT i ENP – wejścia uaktywniające, muszą być w stanie wysokim 1, aby licznik zliczał. Wejście ENT dodatkowo uaktywnia wyjście przeniesienia rozpływowego RCO (ang. Ripple Carry Output). Przejście z 1 na 0 na wejściach ENT i ENP powinno nastąpić przy stanie wysokim wejścia zegarowego CLK.

CLK – wejście impulsów zegarowych. Zmiana stanu licznika następuje przy zboczu narastającym (0 → 1) impulsu zegarowego.

A...D – wejścia ustawiające stan licznika zostają wpisane do licznika przy stanie niskim na wejściu LOAD i przy narastającym zboczu sygnału zegarowego CLK.

RCO – wyjście przeniesienia rozpływowego. Pojawia się na nim dodatni impuls o szerokości impulsu QA, jeśli stan licznika przechodzi z 9 na 0 oraz wejście ENT jest w stanie wysokim 1. Wyjście to może posłużyć do uaktywnienia następnej dekady liczącej.

QA...QD – wyjście licznika.

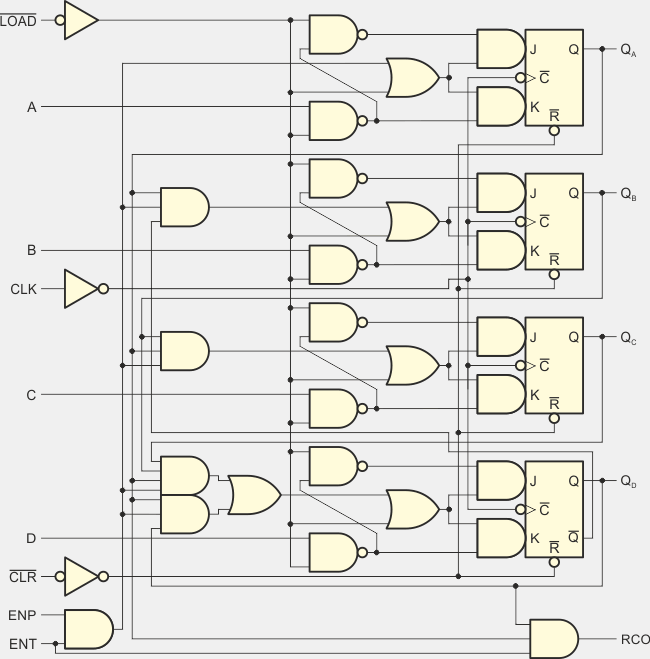
Sieć logiczna licznika 74160

obrazek

Sieć logiczna licznika 74LS160

obrazek

Obudowa DIL-16

obrazek

Wybrane parametry elektryczne

  Opis parametru 54160 74160 74LS160 Jednostka
VCC Napięcie zasilania 4,5...5,5 4,75...5,25 4,75...5,25 V
VIH Napięcie wejściowe dla stanu 1 2 2 2 V
VIL Napięcie wejściowe dla stanu 0 0,8 0,8 0,8 V
VOH Napięcie wyjściowe dla stanu 1 2,4...3,4 2,4...3,4 2,7...3,4 V
VOL Napięcie wyjściowe dla stanu 0 0,2...0,4 0,2...0,4 0,25...0,5 V
IIH Prąd wejściowy w stanie 1 CLK lub ENT 80 80 40 µA
Pozostałe 40 40 20
IIL Prąd wejściowy w stanie 0 CLK lub ENT -3,2 -3,2 -0,8 mA
Pozostałe -1,6 -1,6 -0,4
IOH Prąd wyjściowy w stanie 1 -0,8 -0,8 -0,4 mA
IOL Prąd wyjściowy w stanie 0 16 16 8 mA
ICCH Prąd zasilania, wyjścia w stanie 1 59...85 59...94 18...31 mA
ICCL Prąd zasilania, wyjścia w stanie 0 63...91 63...101 19...32 mA
TA Zakres temperatur pracy -55...125 0...70 0...70 °C
tw(CLK) Szerokość impulsów CLK 25 25 25 ns
tw(CLR) Szerokość impulsów CLR 20 20 20 ns
tsu Czas przygotowania danych A,B,C,D 20 20 20 ns
ENP 20 20 20
LOAD 25 25 20
CLR 20 20 20
fCLK Częstotliwość zegara 0...25 0...25 0...25 MHz

do podrozdziału  do strony 

Zespół Przedmiotowy
Chemii-Fizyki-Informatyki

w I Liceum Ogólnokształcącym
im. Kazimierza Brodzińskiego
w Tarnowie
ul. Piłsudskiego 4
©2026 mgr Jerzy Wałaszek

Materiały tylko do użytku dydaktycznego. Ich kopiowanie i powielanie jest dozwolone pod warunkiem podania źródła oraz niepobierania za to pieniędzy.
Pytania proszę przesyłać na adres email: i-lo@eduinf.waw.pl
Serwis wykorzystuje pliki cookies. Jeśli nie chcesz ich otrzymywać, zablokuj je w swojej przeglądarce.

Informacje dodatkowe.